РЕЗУЛЬТАТИ ЕКСПЕРИМЕНТАЛЬНИХ ДОСЛІДЖЕНЬ БЛОКА ВИХОДУ НАСІННЯ ФОТОЕЛЕКТРОННОГО СЕПАРАТОРА
Алієв Е.Б., канд. техн. наук, завідувач відділу техніко-технологічного забезпечення насінництва
Інститут олійних культур Національної академії аграрних наук України
aliev@meta.ua, 0000-0003-4006-8803
Анотація. Одним із шляхів підвищення процесу поділу насіннєвого матеріалу в насіннєочисному комплексі є його фракціонування шляхом застосування фотоелектронного сепаратора на кінцевій стадії обробки насіння. У рамках досліджень передбачене розроблення технологічного обладнання – фотоелектронного сепаратора елітного насіння олійних культур, яке не має вітчизняних аналогів, а порівняно із зарубіжними дозволяє виконувати технологічний процес сепарації з меншими питомими експлуатаційними витратами (на 30-40 %) і більш високою продуктивністю (на 15-25 %). Метою досліджень є підвищення ефективності розділення насіннєвого матеріалу соняшнику обґрунтуванням конструкційно-технологічних параметрів блоку виходу насіння фотоелектронного сепаратора. Експериментальні дослідження блока виходу насіння проводилися на установці, яка складалася з USB-реле STU2161407M-H, газових форсунок RAIL 67R-01 4303 і персонального комп'ютера з відповідним розробленим програмним забезпеченням. Вихідним матеріалом під час проведення експериментальних досліджень експериментального зразка блока виходу насіння фотоелектронного сепаратора було насіння соняшнику сорту Прометей, яке було відкаліброване до розміру 3,6–3,8 мм, однак містило рослинні домішки, масова частка яких складала 8,6 %. Блок розпізнавання був налаштований на відокремлення рослинних домішок. Фактором досліджень було обрано інтервал часу t між двома насінинами, які падають в інтервалі від 0,03 с до 0,2 с, який задавався встановленням певних режимних параметрів блока подачі насіння. У результаті експериментальних досліджень блока виходу насіння встановлено експоненціальну залежність зміни ймовірність реагування газової форсунки P від інтервалу часу t між двома насінинами, які падають. Зі збільшенням інтервалу часу між двома насінинами, які падають, ймовірність реагування газової форсунки збільшується до асимптотичної лінії P = 0,939841, тому найменший ефективний інтервал часу між двома насінинами, які падають складає 0,153 с.
Ключові слова: насіння, фотоелектронний сепаратор, блок виходу, дослідження, експеримент, ймовірність.
РЕЗУЛЬТАТЫ ЭКСПЕРИМЕНТАЛЬНЫХ ИССЛЕДОВАНИЙ БЛОКА ВЫХОДА СЕМЯН ФОТОЭЛЕКТРОННОГО СЕПАРАТОРА
Алиев Э.Б., канд. техн. наук, заведующий отделом технико-технологического обеспечения семеноводства
Институт масличных культур Национальной академии аграрных наук Украины
aliev@meta.ua, 0000-0003-4006-8803
Аннотация. Одним из путей повышения процесса разделения семенного материала в семяочистительном комплексе является его фракционирование путем применения фотоэлектронного сепаратора на конечной стадии обработки семян. В рамках исследований предусмотрена разработка технологического оборудования – фотоэлектронного сепаратора элитных семян масличных культур, который не имеет отечественных аналогов, а по сравнению с зарубежными позволяет выполнять технологический процесс сепарации с меньшими удельными эксплуатационными затратами (на 30–40 %) и более высокой производительностью (на 15–25%). Целью исследований является повышение эффективности разделения семенного материала подсолнечника путем обоснования конструкционно-технологических параметров блока выхода семян фотоэлектронного сепаратора. Экспериментальные исследования блока выхода семян проводились на установке, состоящей из USB-реле STU2161407M-H, газовых форсунок RAIL 67R-01 4303 и персонального компьютера с соответствующим разработанным программным обеспечением. Исходным материалом при проведении экспериментальных исследований экспериментального образца блока выхода семян фотоэлектронного сепаратора были семена подсолнечника сорта Прометей, которые были откалиброваны размером 3,6-3,8 мм, однако содержали растительные примеси, массовая доля которых составляла 8,6%. Блок распознавания был настроен на отделение растительных примесей. В качестве фактора исследований был выбран интервал времени t между двумя падающими семенами в диапазоне от 0,03 с до 0,2с, который задавался путем установки определенных режимных параметров блока подачи семян. В результате экспериментальных исследований блока выхода семян установлено экспоненциальную зависимость изменения вероятность реагирования газовой форсунки P от интервала времени t между двумя падающими семенами. С увеличением интервал времени между двумя падающими семенами, вероятность реагирования газовой форсунки увеличивается до асимптотической линии P = 0,939841, поэтому наименьший эффективный интервал времени между двумя падающими семенами составляет 0,153 с.
Ключевые слова: семена, фотоэлектронный сепаратор, блок выхода, исследования, опыт, вероятность
RESULTS OF EXPERIMENTAL INVESTIGATIONS OF BLOCK OF EXIT SEEDS OF PHOTOELECTRONIC SEPARATOR
Aliev E.B., Ph.D., Head of the Department of Technological and Technological Support of Seed Growing
Institute of Oilseed Crops of the National Academy of Agrarian Sciences of Ukraine
aliev@meta.ua, 0000-0003-4006-8803
Annotation. One of the ways to increase the process of seed separation in the seed cleaner is its fractionation by applying a photoelectronic separator at the final stage of seed treatment. Within the framework of the research, it is planned to develop technological equipment – a photoelectronic separator for elite oilseed seeds, which has no domestic analogues, and in comparison with foreign ones it allows to carry out the process of separation with a lower specific operating cost (by 30–40%) and higher productivity (by 15–25%). The aim of the research is to improve the efficiency of separating the sunflower seed material by justifying the structural and technological parameters of the photoelectric separator seed exit unit. Experimental studies of the seed exit block were carried out on an installation consisting of USB relay STU2161407M-H, gas injectors RAIL 67R-January 4303 and a personal computer with the corresponding software developed. The initial material for carrying out experimental studies of the experimental sample of the photoelectron separator seed outlet block was Prometheus sunflower seeds, which were calibrated with a size of 3.6-3.8 mm, but contained vegetable impurities, the mass fraction of which was 8.6%. The recognition unit was tuned to separate the plant impurities. As a research factor, the time interval between two incident seeds t in the range from 0.03 s to 0.2 s was chosen, which was set by setting certain regime parameters of the seed supply unit. As a result of experimental studies of the seed yield unit, the change in the probability of the reaction of the gas injector P from the time interval between two incident seeds t is determined exponentially. With the increase in the time interval between the two falling seeds, the probability of the gas nozzle reacting increases to the asymptotic line P = 0.939841, therefore the smallest effective time interval between the two falling seeds is 0.153 sec.
Keywords: seeds, photoelectron separator, exit block, studies, experience, probability
Постановка проблеми. Незадовільна якість насіння призводить до істотного зниження врожайності сільськогосподарської продукції і великих перевитрат насіннєвого матеріалу [1]. Підвищення якості сільгосппродукції є найбільшою проблемою сільськогосподарського виробництва. Від технологічного і технічного рівня приладів контролю і устаткування сортування, їхніх функціональних можливостей багато в чому залежить якість і конкурентність сільгосппродукції. Технологія післязбиральної обробки насіннєвого матеріалу є складною багатофункціональною системою, яка надає всебічний вплив на якість одержуваного насіння. Незадовільна якість насіннєвого матеріалу призводить до істотного зниження його врожаю і великих перевитрат посівного матеріалу [2].
Аналіз останніх досліджень і публікацій. Одним із шляхів підвищення процесу поділу насіннєвого матеріалу в насіннєочисному комплексі є його фракціонування [3] застосуванням фотоелектронного сепаратора [4] на кінцевій стадії обробки насіння. Існуюче обладнання для виконання технологічного процесу сепарації насіння до зазначеної сортової чистоти вимагає великих капітальних вкладень (300-1000 тис. грн) і значних питомих експлуатаційних витрат (700-900 грн/т), що підвищує собівартість елітного насіння. Тому в рамках досліджень передбачено розроблення технологічного обладнання – фотоелектронного сепаратора елітного насіння олійних культур, яке не має вітчизняних аналогів, а в порівнянні із зарубіжними дозволяє виконувати технологічний процес сепарації з меншими питомими експлуатаційними витратами (на 30-40 %) і більш високою продуктивністю (на 15-25 %).
Мета досліджень. Підвищення ефективності розділення насіннєвого матеріалу соняшнику обґрунтуванням конструктивно-технологічних параметрів блоку виходу насіння фотоелектронного сепаратора.
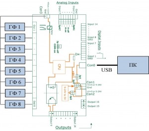
Виклад основного матеріалу дослідження. Розроблений фотоелектронний сепаратор містить блок подачі насіння, блок розпізнавання насіння і блок виходу насіння (рис. 1) [5]. Експериментальні дослідження блока виходу насіння проводилися на установці, яка складалася з USB-реле STU2161407M-H, газових форсунок RAIL 67R-01 4303 і персонального комп'ютера з відповідним розробленим програмним забезпеченням (рис.1). Електрона апаратура працює так. Насіння, яке падає з поздовжнього каналу блоку подачі, потрапляє в огляд камери блока розпізнавання. Там формується певний цифровий сигнал, який через USB-реле STU2161407M-H надходить до газових форсунок RAIL 67R-01 4303 вмикаючи їх. Стиснене повітря з компресора потрапляє на певну насінину і відштовхує її у приймальну камеру.

Рисунок 1 – Конструкційно-технологічна схема експериментального зразка блока виходу насіння фотоелектронного сепаратора
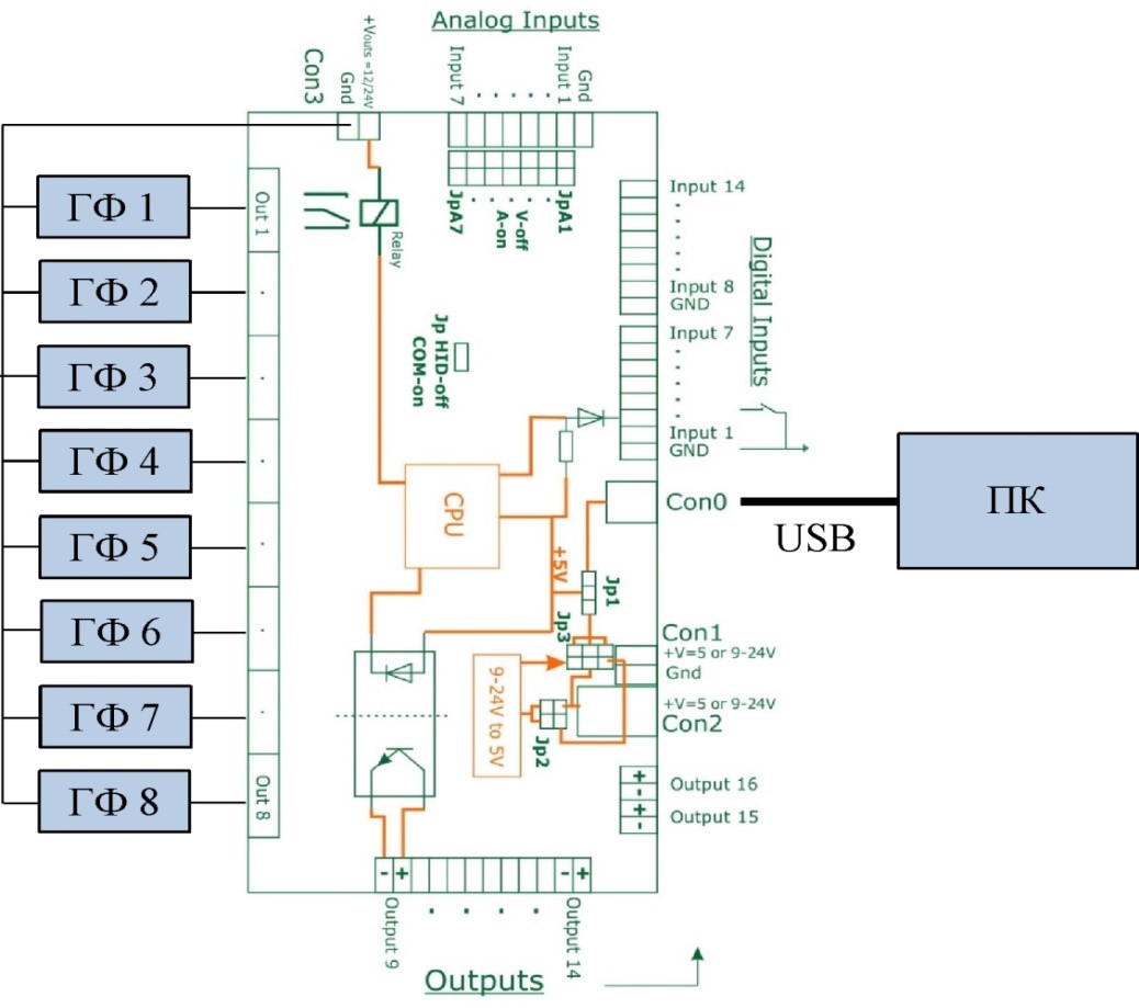
Для забезпечення заданого потоку насіння на блоці подачі насіння задаються раціональні режимні параметри відповідно до отриманих залежностей згідно з [5]. Принципова електрична схема блока виходу насіння фотоелектронного сепаратора представлена на рис.2.
Вихідним матеріалом для проведення експериментальних досліджень експериментального зразка блока виходу насіння фотоелектронного сепаратора було насіння соняшнику сорту Прометей, яке було відкаліброване до розміру 3,6–3,8 мм, однак містило рослинні домішки, масова частка яких складала 8,6 %. Блок розпізнавання був налаштований на відокремлення рослинних домішок.

Рисунок 2 – Принципова електрична схема блока виходу насіння фотоелектронного сепаратора: ГФ – газова форсунка; ПК – персональний комп’ютер
Фактором досліджень було обрано інтервал часу t між двома насінинами, які падають, в інтервалі від 0,03 с до 0,2 с, який задавався встановленням певних режимних параметрів блока подачі насіння відповідно до рівняння [5]:
| $$t = 0,415665 – 0,0000461111 n^2 + 0,000702933 Q^2 + 0,00246598 n +$$$$+ 0,0000659722 Q n – 0,000191667 ψ n – 0,0203901 Q +$$$$+ 0,0005625 ψ Q – 0,0498236 ψ + 0,00194889 ψ^2$$ |
(1) |
де t– середній інтервал часу між насінням, яке падає, с; Q – подача насіння, кг/год; ψ – частота коливань вібролотка, с-1; n – частота обертання барабана, об/хв.
Критерієм оцінки ефективності роботи блока виходу насіння фотоелектронного сепаратора була обрана ймовірність реагування газової форсунки, яка розраховувалась за формулою:
| $$P= {N_П \over N_З}$$ |
(2) |
де N
П– кількість насінин, які потрапили під потік повітря з газової форсунки, шт; N
З– загальна кількість насінин, шт.
Один дослід проводився пропусканням через експериментальний зразок блока виходу 10000 насінин. Обробка результатів досліджень математичною моделлю виконувались за допомогою комп’ютерної програми «Mathematica». Для визначення математичної моделі впливу інтервалу часу t між двома насінинами, які падають, на ймовірність реагування газової форсунки P представимо експериментальні дані у вигляді графіка (рис.3).

Рисунок 3 – Залежність ймовірності реагування газової форсунки P на інтервал часу t між двома насінинами, які падають
Апроксимація отриманого масиву даних дозволила визначити пошукову математичну модель у вигляді експоненціальної функції:
| $$P = 0,939841 - 1,07229e^{-20,9153t}$$ |
(3) |
При цьому згідно з критерієм Стюдента всі коефіцієнти є значимими, а коефіцієнт кореляції складає R = 0,995. Залежність на рис. 3 доводить те, що із збільшенням інтервал часу між двома насінинами, які падають, ймовірність реагування газової форсунки збільшується до асимптотичної лінії P = 0,939841, тому найменший ефективний інтервал часу між двома насінинами, які падають, складає 0,153 с.
Висновки. У результаті експериментальних досліджень блока виходу насіння встановлено експоненціальну залежність зміни ймовірність реагування газової форсунки P від інтервалу часу t між двома насінинами, які падають: \(P = 0,939841 - 1,07229e^{-20,9153t}\). Зі збільшенням інтервалу часу між двома насінинами, які падають, ймовірність реагування газової форсунки збільшується до асимптотичної лінії P = 0,939841, тому найменший ефективний інтервал часу між двома насінинами, які падають складає 0,153 с.
Література
1. Runmann К. BeaiigongdurchelektronischeFarb-sortierung. Muhle+Mischfutter-fechn. 1990. 127, №19. P. 244–245.
2. Шафоростов В. Д., Припоров И. Е. Качественные показатели работы фотосепаратора по фракционной технологии при разделении семян подсолнечника. Международный научно-исследовательский журнал. 2015. № 1–3 (32). С. 23–25.
3. Припоров И .Е. Сортирование семян подсолнечника на фотосепараторе. Сельский механизатор. 2015. № 3. С. 12–13.
4. Osbome D. Y., Berfrand D. Image analysis and spectroscopic techniques. Rapp 9 Congr. Int. Cereals et pain, Paris, 1–5 juin 1992. Ind. cereal. 1992, № 77. P. 10–12.
5. Алієв Е. Б., Яропуд В. М. Результати чисельного моделювання процесу роботи блока подачі насіння фотоелектронного сепаратора. Всеукраїнський науково-технічний журнал «Техніка, енергетика, транспорт АПК». Редколегія: Калетнік Г.М. (головний редактор) та інші. Вінниця, 2017. №4 (99). С. 18–23.
References
1. Runmann K. BeaiigongdurchelektronischeFarb-sortierung. Muhle+Mischfutter-fechn. 1990. 127, №19. P. 244–245.
2. Shaforostov V. D., Pryporov Y. E. Kachestvennыepokazatelyrabotыfotoseparatorapofrakcyonnojtehnologyy pry razdelenyysemjanpodsolnechnyka. Mezhdunarodnыjnauchno-yssledovatel'skyjzhurnal. 2015. № 1–3 (32). S. 23–25.
3. Pryporov Y. E. Sortyrovanyesemjanpodsolnechnykanafotoseparatore. Sel'skyjmehanyzator. 2015. № 3. S. 12–13.
4. Osbome D. Y., Berfrand D. Image analysis and spectroscopic techniques. Rapp 9 Congr. Int. Cereals et pain, Paris, 1–5 juin 1992. Ind. cereal.1992, № 77. P. 10–12.
5. Alijev E. B., Jaropud V. M. Rezul'tatychysel'nogomodeljuvannjaprocesurobotyblokapodachinasinnjafotoelektronnogoseparatora. Vseukrai'ns'kyjnaukovo-tehnichnyjzhurnal «Tehnika, energetyka, transport APK».Redkolegija: Kaletnik G.M. (golovnyjredaktor) ta inshi. Vinnycja, 2017.№4 (99). S. 18–23.
скачать софт